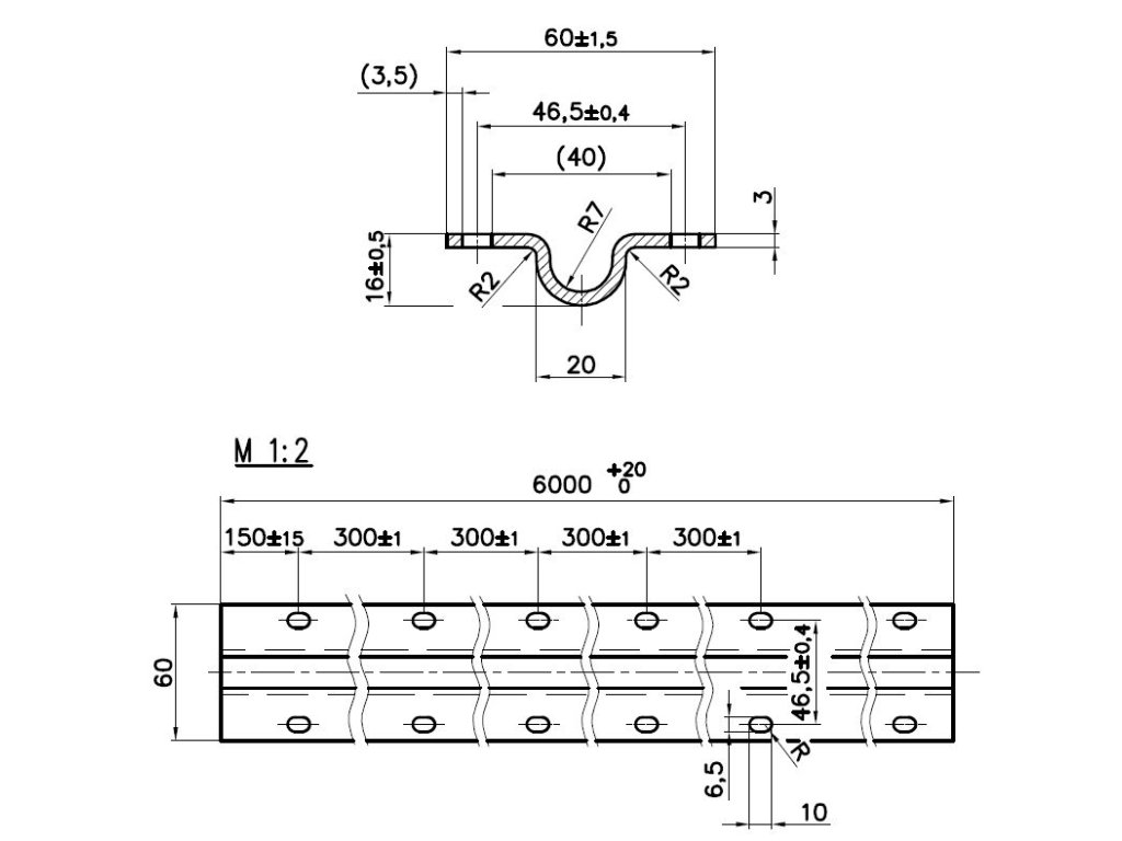
Vodiaci profil U ø 20 x 6000 mm pre posuvné brány
Kód: C902/20-6MONTÁŽ
Garážových brán a pohonov
REVÍZIA
Garážových brán a pohonov
SERVIS
Garážových brán a pohonov
Podrobný popis
Vodiaci profil od popredného talianského výrobcu Combi Arialdo. Povrchová úprava- pozink. Použitie pre posuvné brány s kolieskami C400/80/20, C410/80/20, C410/100/20, C415/80/20, C425/80/20, C425/100/20, C430/90 ktoré majú vnutorný priemer žlabu 20mm. Väčšia zaťažiteľnosť s dvomi kolieskami na konzole C600/120, C600/160, C600/161.
Dodatočné parametre
| Kategória: | Vodiace profily |
|---|---|
| Hmotnosť: | 10.2 kg |
Diskusia
Buďte prvý, kto napíše príspevok k tejto položke.
