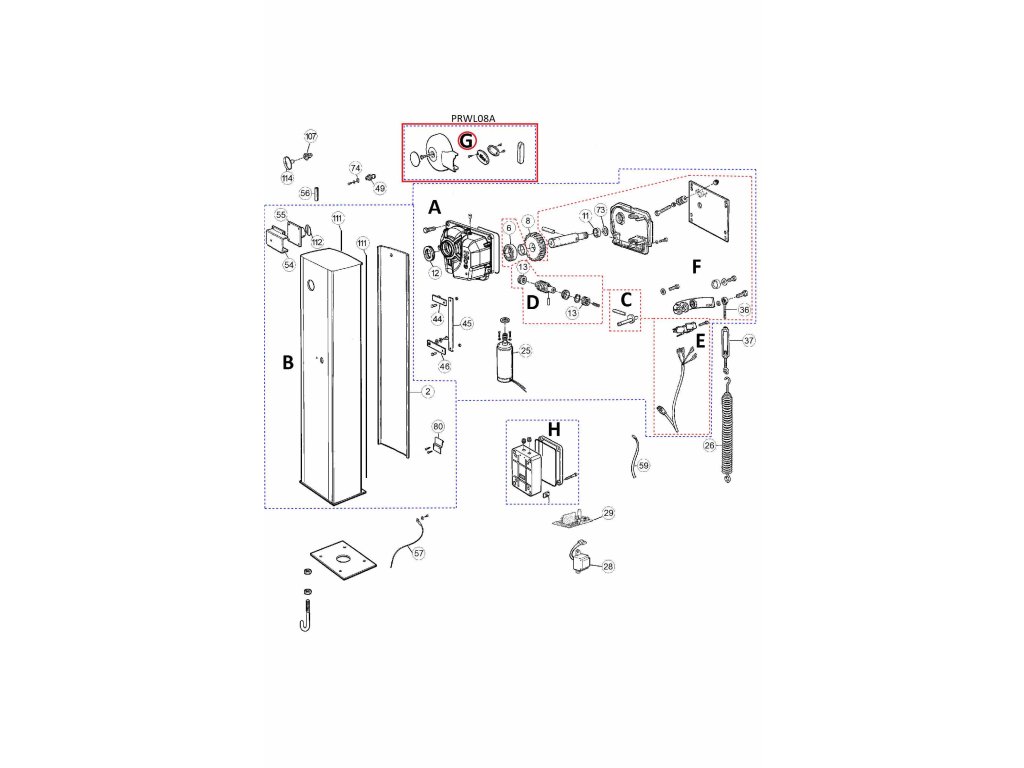
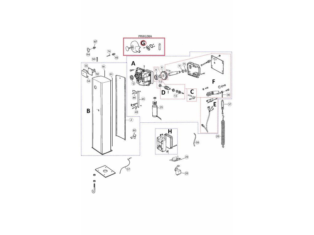
PRWL08A kit krytu obímky ramena pre WIL6
Kód: N ND-WL6-GMONTÁŽ
Garážových brán a pohonov
REVÍZIA
Garážových brán a pohonov
SERVIS
Garážových brán a pohonov
Podrobný popis
PRWL08A kit krytu obímky ramena pre WIL6Presný rozpis náhradných dielov nájdete na stránke www.kovianportal.sk.
Dodatočné parametre
| Kategória: | Závory |
|---|---|
| Hmotnosť: | 0.5 kg |
Diskusia
Buďte prvý, kto napíše príspevok k tejto položke.
