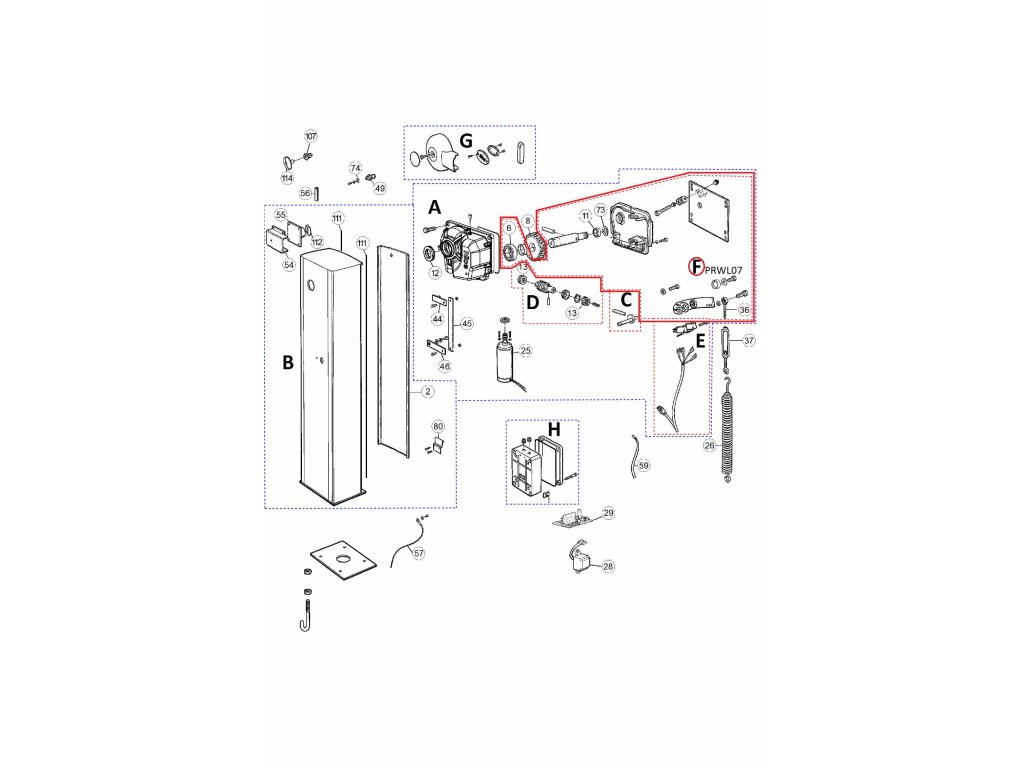
PRWL07 set prevodovkového hriadeľa pre WIL6, tisíchran
Kód: N ND-WL6-FMONTÁŽ
Garážových brán a pohonov
REVÍZIA
Garážových brán a pohonov
SERVIS
Garážových brán a pohonov
Podrobný popis
PRWL07 set na výmenu hriadele v prevodovke pre WIL6 , 1000hran hriadeľ
Presný rozpis náhradných dielov nájdete na stránke www.kovianportal.sk.
Dodatočné parametre
| Kategória: | Závory |
|---|---|
| Hmotnosť: | 1.5 kg |
Diskusia
Buďte prvý, kto napíše príspevok k tejto položke.
