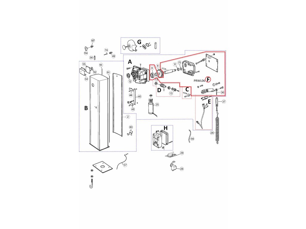
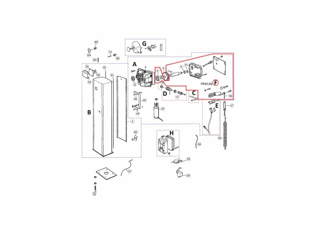
PRWL06 set pre závoru WIL4 vyrobenú do 08/2013
Kód: N ND-WL4-FMONTÁŽ
Garážových brán a pohonov
REVÍZIA
Garážových brán a pohonov
SERVIS
Garážových brán a pohonov
Podrobný popis
PRWL06 set na výmenu hriadele v prevodovke pre závoru WIL4 vyrobenú do 08/2013
Presný rozpis náhradných dielov nájdete na stránke www.kovianportal.sk.
Dodatočné parametre
| Kategória: | Závory |
|---|---|
| Hmotnosť: | 1.5 kg |
Diskusia
Buďte prvý, kto napíše príspevok k tejto položke.
