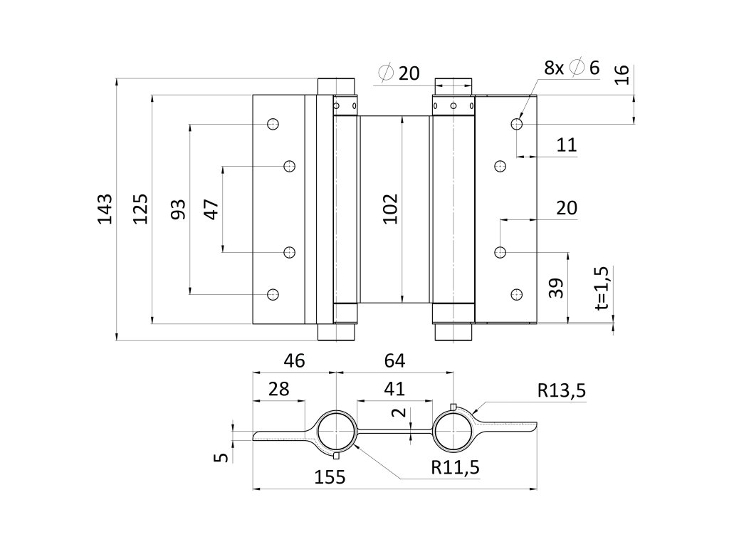
Dvojčinný samozatvárací pánt pre krídlové dvere, nerez
Kód: E1-P121-125MONTÁŽ
Garážových brán a pohonov
REVÍZIA
Garážových brán a pohonov
SERVIS
Garážových brán a pohonov
Podrobný popis
Otočné pánty samozatvárateľné z nehrdzavejúcej ocele.
Odolné voči poveternostným vplyvom, vhodné na inštaláciu do interiéru aj exteriéru.
Dodatočné parametre
| Kategória: | Samozatvárateľné závesy a zatvárače |
|---|---|
| Hmotnosť: | 1.17 kg |
Diskusia
Buďte prvý, kto napíše príspevok k tejto položke.
