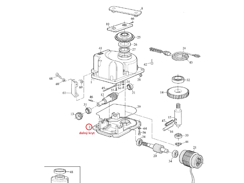
BMG1448R03.4567 kryt spodný hliníkový pre METRO3000
Kód: N ND-2ME30MONTÁŽ
Garážových brán a pohonov
REVÍZIA
Garážových brán a pohonov
SERVIS
Garážových brán a pohonov
Podrobný popis
BMG1448R03.4567 kryt spodný hlinikový pre METRO3000Presný rozpis náhradných dielov nájdete na stránke www.kovianportal.sk.
Dodatočné parametre
| Kategória: | Krídlové |
|---|---|
| Hmotnosť: | 1 kg |
Diskusia
Buďte prvý, kto napíše príspevok k tejto položke.
